Robot de soudage à l'arc KUKA KR15 / 2 avec Fronius TPS4000 et station double
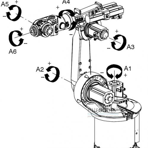
Kuka KR15/2 year 2005 six axis industrial robot, 1500 mm horizontal arm reach equipped with a Fronius TPS4000 Synergic MIG/MAG arc welding power source (liquid cooled), wire feeder, torch cleaning station and a 180º turn automatic loading and unloading station. Suitable for carbon steel, aluminium and stainless steel welding. 400 Amperes power and wire thickness to choose between 0.8/1/1.2 mm. Special arc welding software A20 from Kuka. Software 5.2.9 under WinXP.
Applications
Photos
Vidéos
Diagrammes
English
Spain
Germany
Russia
China
Argentina
Portugal
Colombia
Italy
India
Brazil
Japan
Mexico
Turkey
Ukraine
Peru
Sth. Africa